1
/
su
6
Bestrong
STEPPER COMPOSITION
STEPPER COMPOSITION
Prezzo di listino
€1.500,00
Prezzo di listino
Prezzo scontato
€1.500,00
Prezzo unitario
/
per
Lo stepper è una delle attrezzature di allenamento più semplici , è ideale per rafforzare i muscoli delle gambe e dei glutei come parte dell'allenamento a corpo libero e per il modellamento del corpo. È particolarmente indicato per gli atleti per il miglioramento del salto verticale. La difficoltà degli esercizi può essere aumentata con le scelte tra altezze diverse e con l'utilizzo di attrezzature aggiuntive. Come nuovo caratteristica, questo elemento è già disponibile con la superficie in gomma EPDM antiscivolo
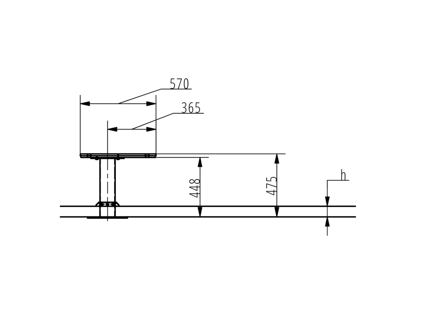
Distanza tra pali |
550-860 mm |
Altezza (min/max) | 230-510 mm |
Area consigliata | 13,34 mq |
Altezza di caduta (HIC) | 230-510 mm |
Certificazione | EN 16630 |
Certificato Numero | FKP14-E040 |
*Il prezzo non comprende: iva 22%
- pavimentazione
- installazione
- trasporto
CONDIVIDI





